Product Center
卡座连接器
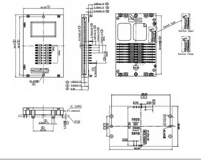
Product model:SMART长卡01(SY8-SMART-01)
Product features:SY8-SMART-01(SMART长卡01)
Release time:2015/10/7
Specification certificate Download:Click download

National hotline:
400-605-8980